ZQDF(Y)系列蒸汽(液用)電磁閥是工業過程自動化控制系統用的執行器。它在接受電控信號后能自動開啟或關閉,實現對管道中的流體介質的通斷或流置調節控制,從而對系統中的溫度、流量、壓力等的參數進行自動調節或遠程控制。
本系列電磁閥可廣泛地應用于紡織、印刷、化工、塑料、橡膠、制藥、食品、建材、機械、電器、表面處理等生產和科研部門以及浴室、食堂、空調等人們日常生活設施中。ZQDF系列電磁閥主要用于空氣、蒸汽、煤氣等氣體介質的控制。ZQDF-Y系列電磁閥主要用于自來水、蒸餾水、冷凍鹽水、電鍍廢液等液體介質,同時也用于粘度小于4℃的油類。

| 參數型號 | Z QDF-1 | Z QDF-2 | Z QDF-3 | Z QDF-1Y | Z QDF-2Y | Z QDF-3Y | |
| 公稱壓力(MPa) | 1.6 | ||||||
| 工作壓差(Mpa) | DN15-20 | 0.1~1.6 | |||||
| DN65-100 | 0.05~1.6 | ||||||
| 介質種類 | 煤氣、空氣等 | 飽和蒸汽 | 過熱蒸汽或高溫氣體 | 水油液體 | 熱水 | 高溫水、油 | |
| 介質溫度(℃) | ≤60 | ≤180 | ≤220 | ≤60 | ≤180 | ≤220 | |
| 電源電壓 | AC220V其余規格可作特殊訂貨 | ||||||
| 使用壽命 | 按JB/T7352-94規定 | ||||||
| 泄漏量(m/min) | 按JB/T7352-94·F規定 | ||||||
| 功耗(VA) | 50 | ||||||
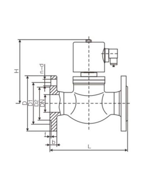
| 公稱通徑 DN | 內螺紋連接 | 法蘭尺寸 | |||||||||||
| 外形尺寸 | 內螺紋 | 外形尺寸 | 法蘭連接 | ||||||||||
| H | L | G | H | L | D | D1 | D2 | B | I | N-D | |||
| 15 | 153 | 92 | 1/2 | 153 | 115 | 95 | 65 | 46 | 14 | 2 | 4-?14 | ||
| 20 | 153 | 92 | 3/4 | 153 | 150 | 105 | 75 | 56 | 16 | 2 | 4-?14 | ||
| 25 | 153 | 110 | 1 | 153 | 160 | 115 | 85 | 65 | 18 | 3 | 4-?14 | ||
| 32 | 176 | 120 | 1 1/4 | 176 | 180 | 140 | 100 | 76 | 18 | 3 | 4-?18 | ||
| 40 | 176 | 140 | 1 1/2 | 176 | 200 | 150 | 110 | 84 | 18 | 3 | 4-?18 | ||
| 50 | 192 | 162 | 2 | 192 | 230 | 165 | 125 | 99 | 20 | 3 | 4-?18 | ||
| 65 | 250 | 290 | 185 | 145 | 118 | 20 | 3 | 4-?18 | |||||
| 80 | 260 | 310 | 200 | 160 | 132 | 20 | 3 | 8-?18 | |||||
| 100 | 290 | 350 | 220 | 180 | 156 | 22 | 3 | 8-?18 | |||||
浙公網安備 33032402001116號 網站地圖
13968958698
0577-67378705 / 67378706
浙江省溫州市甌北鎮東甌工業區和二園區大道926號